Produse Noi
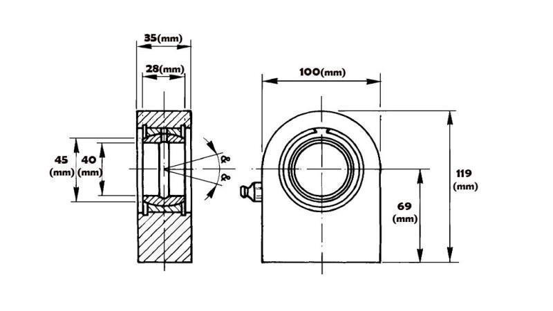
ARTICULAȚIE SFERICĂ DE SUDAT CU BAZĂ PLATĂ Φ 40/100
Cod produs:
11523
OEM:
9990000020607
Rata impozitului
22 %
Preț fără TVA:
125,28 RON
Preț cu TVA:
152,84 RON
Ref:
18
Rulmenți sferici GE cu ochi
– îmbinările de sudură cu ochi sunt destinate sudării pe cilindri hidraulici, tije, suporturi și alte părți similare unde este necesară mișcarea. Datorită designului lor, sunt destinate pentru sarcini sau capacități mai mari. Designul lor nu necesită întreținere specială, astfel că durata lor de viață este destul de lungă.
Furnizor:
Italia
încărcare dinamică maximă:
10 tone
standard:
DIN 648, Seria E, tip C
Returnare sau schimbare:
14 zile
Garanție:
6 luni







