Produse Noi
POMPĂ HIDRAULICĂ GR.2 HI-LO 22C3,5/6,5X815R
Cod produs:
13697
OEM:
9990000102327
Rata impozitului
22 %
Preț fără TVA:
1.293,21 RON
Preț cu TVA:
1.577,71 RON
Ref:
1
Descriere:
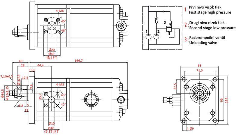
Pompa hidraulică Hi-Low (High-Low, HL) este utilizată în sisteme unde este necesară presiunea mare și mică pentru funcționare. Aceasta înseamnă că sunt ideale pentru aplicații unde este necesară o mișcare lentă sub sarcini mari și o mișcare mai rapidă sub sarcină mică. Supapa de siguranță se deschide la 65 bar.
Furnizor:
Bulgaria
Returnare sau schimbare:
nu este posibil
cm/revoluții:
frontal: 3.5cm3, spate: 6.5cm3
greutatea produsului:
5.60 kg
Garanție:
6 luni
max. RPM:
3000 rpm
max. presiune:
frontal: 250 bar, posterior: 70 bar










