Nauji produktai
PMRV-90 PAVARŲ DĖŽĖ ELEKTRINIAM VARIKLIUI MS100 (2.2-3-4KW) RATIO 20:1
Papildomas aprašymas:
| elektrinis variklis | pavarų dėžė | išėjimo sukimo momentas M2 [Nm] | saugumo koeficientas - SF |
|---|---|---|---|
| 2.2kW (MS100) | RV-90 | 249 | 1.4 |
| 3kW(MS100) | 340 | 1.0 | |
| 4kW(MS100) | 453 | 0.8 |
Aprašymas:
PMRV pavarų dėžės naudojamos kartu su elektriniais varikliais.
Pavarų dėžė sumažina elektrinio variklio apsisukimus iki vertės, su kuria norime dirbti. Pavarų dėžės turi skirtingus santykius 7.5:1 - 10:1 - 20:1 - 40:1.
Instaliuojant pavarų dėžę, visada užtikrinkite, kad:
- duomenys ant vardinės plokštelės atitinka užsakytos prekės duomenis
- korpusas ir ašys yra švarūs ir nepažeisti
- paviršius, prie kurio tvirtinama pavarų dėžė, yra lygus ir pakankamai tvirtas
- pavarų dėžė ir elektrinio variklio ašis gerai tinka
- jei yra vibracijų ar užstrigimo galimybė, turi būti įrengtas sukimo momento ribotuvas
- besisukantys elementai yra padengti plastikiniais dangteliais
- lauke naudojamas prietaisas turi būti tinkamai apsaugotas nuo oro sąlygų
- darbo sąlygos nesukelia korozijos (nebent anksčiau sutarta ir pavarų dėžė bei elektrinis variklis yra tinkamai paruošti)
- įrankiai, ašies įrankiai, įėjimo/išėjimo ašys yra tinkamai pritvirtinti, kad būtų išvengta radialinių ar ašinių apkrovų, kurios neviršija maksimalaus leistino ribos
- visi sujungimai yra padengti antikoroziniu medžiaga, kad būtų išvengta oksidacijos kontaktuojant
- visi tvirtinimo varžtai turi būti tvirtai prisukami
Visi skaičiavimai yra pagrįsti elektriniais varikliais su 1400 apsisukimų. Jei naudojate elektrinį variklį su kitokiu greičiu nei 1400 apsisukimų per minutę, padalinkite įėjimo apsisukimus iš pavarų dėžės santykio, kad gautumėte išėjimo apsisukimus.
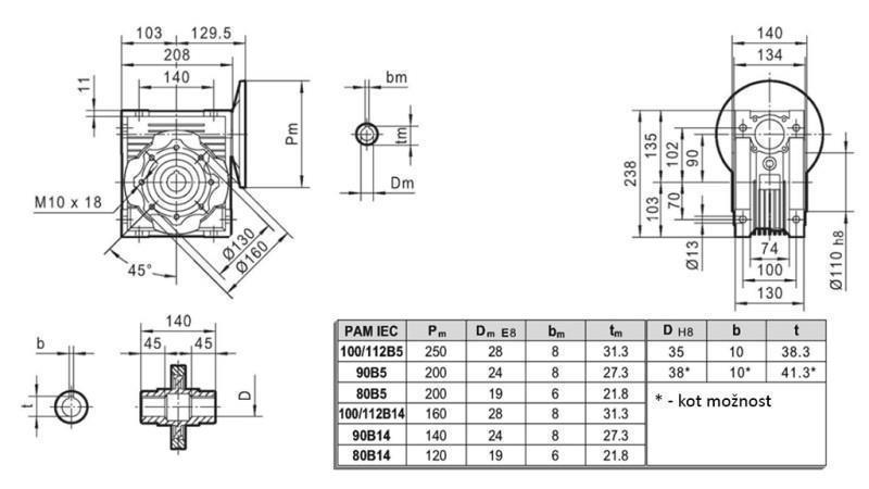
Daugiau techninių duomenų rasite priede 'MATMENYS - TECHNINĖS LENTELĖS'.







