Uudet tuotteet
HYDRAULINEN VENTTIILI 1XZ80 + KELLUVAA
Yleiskuvaus:
Manuaalinen tai mekaaninen hydrauliventtiili Р80 on suunniteltu työvirran jakamiseen ja hallintaan hydraulipumpun ja kuluttajien (sylinterit, hydraulimoottorit…) välillä.
Hydrauliventtiilejä käytetään erilaisiin tarkoituksiin maataloudessa, teollisuudessa, rakentamisessa jne. hallitsemaan:
- yksisuuntaisia sylintereitä
- kaksisuuntaisia sylintereitä
- hydraulimoottoreita
- kelluvia toimintoja (auralle)
- joystickejä (ylös-alas, vasemmalle-oikealle)
Ne kootaan lohkoon 1-6 vivusta.
Käyttö:
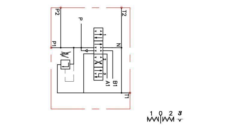
Kaikissa hydrauliventtiileissä on turvaventtiili. Neutraaliasennossa (vipu keskellä) öljy kiertää venttiilin läpi. Kun vipua siirretään toiselle tai toiselle puolelle, hydrauliventtiili aiheuttaa sylinterin liikettä tai hydraulimoottorin pyörimistä yhteen suuntaan tai toiseen. Vapautettaessa vipu se palautuu automaattisesti neutraaliasentoon, hydraulimoottori tai sylinteri pysähtyy nykyiseen asentoon, ja öljy kiertää jälleen venttiilin läpi. On mahdollista käyttää niin sanottua 'suljettua keskusta' elementtiä, joka muuttaa venttiiliä siten, että neutraaliasennossa öljy ei kierrä venttiilin läpi tai tällainen venttiili ei enää vuoda. Käytettäessä tai liitettäessä muita venttiilejä on käytettävä 'carry over' elementtiä, joka mahdollistaa öljyn syöttämisen muille venttiileille.
Kelluvia toimintoja varten varustetuissa venttiileissä se sallii sylinterin vapaan öljyvirran, mikä tarkoittaa, että sylinteri liikkuu vapaasti (tai lumiaura mukautuu maastoon).
Yksisuuntaisille sylintereille tarkoitetut venttiilit on tarkoitettu yksisuuntaisille sylintereille.
Rakenteet:
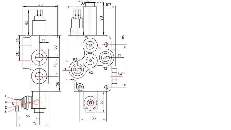
Р80 on monoblock-jakoventtiili. Se on valmistettu valuraudasta EN-GJL300. Vipuvarret on valmistettu hiiliteräksestä ja ne on kovakromattu.
Liitännät:
Vipu on kiinnitetty kahdella M8 ruuvilla.







