Uued tooted
HÜDRAULILINE ÜKSUS -RHA- 40LIT KÜÜNLA HARJAS
Toote kood:
20575
OEM:
9990000100576
Maksumäär
22 %
Hind ilma KM-ta:
713,11 EUR
Hind koos KM-ga:
870,00 EUR
Ref:
0
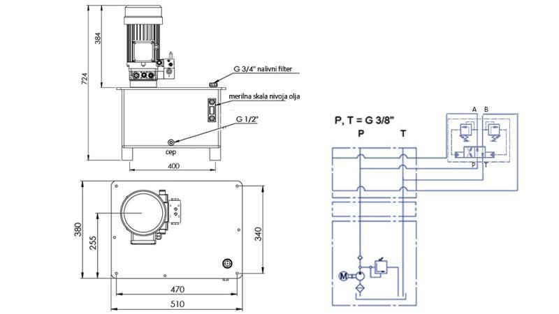
Kirjeldus:
Hüdrauliline üksus harja jaoks on iseseisev seade, mis genereerib hüdraulilist survet elektrimootori abil, et juhtida küünla transportijat.
Mootori võimsus:
4kW
pumba vool:
8 cc
koguvool:
12 l/min
Tanki maht:
40 liitrit
max. tööpressuur:
120 bar
klapp:
RHA - lühike ventiil
Tagastamine või vahetamine:
ei ole võimalik
Pöörded:
1500 p/min
Pinge:
380V






